Rotax 277 A gear drive, Rotax 277 fan cooled engine, drive shaft offset towards engine base

Rotax 277 "A" gear drive for FAN-COOLED engine installation spark plug Down SS

Rotax 277 "A" Gear Drive For FAN-COOLED Engine Installation Spark Plug Down SS

Rotax 277 "A" gear drive fan cooled engine Drive shaft offset towards engine base, for FAN-COOLED engine installation spark plug up (SS) or down (HS)

Rotax 277 "A" Gear Drive Fan Cooled Engine Drive Shaft Offset Towards Engine Base, For FAN-COOLED Engine Installation Spark Plug Up (SS) Or Down (HS)

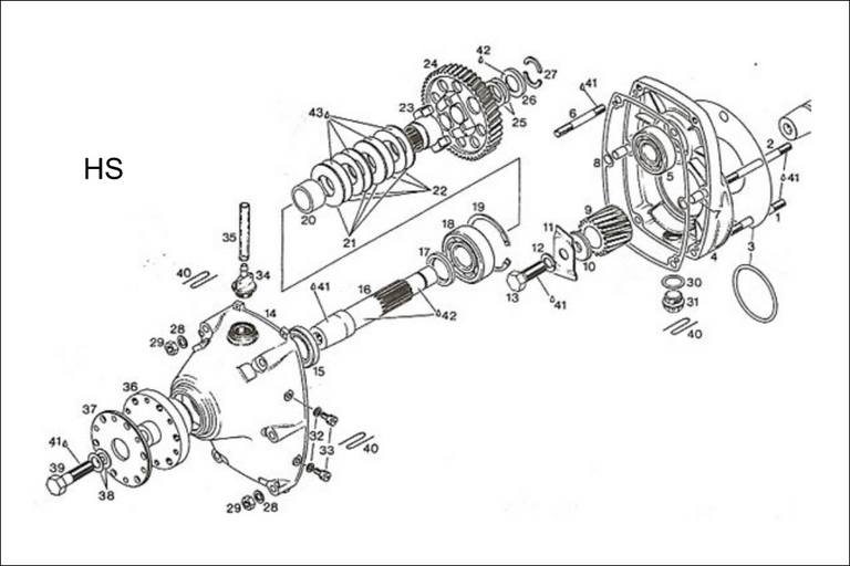
Rotax 277 "A" gear drive FAN-COOLED engine installation spark plug down (HS)

Rotax 277 "A" Gear Drive FAN-COOLED Engine Installation Spark Plug Down (HS)