Rotax 277 A GEAR DRIVE, Free Air with drive shaft offset towards engine base

Rotax 277 "A" GEAR DRIVE, FA Drive shaft offset towards engine base, for FREE-AIR installation spark plug up (SS) 

How To Properly Preload The Spring Washers On The Rotax A And B Reduction Drives.

Rotax 277 "A" gear drive fan cooled engine Drive shaft offset towards engine base, for FREE AIR engine installation spark plug up (SS) or down (HS)

How To Properly Preload The Spring Washers On The Rotax A And B Reduction Drives.

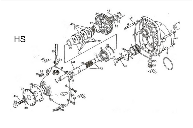
Rotax 277 "A" gear drive FAN-COOLED engine installation spark plug down (HS)

How To Properly Preload The Spring Washers On The Rotax A And B Reduction Drives.